Przegrzewający się silnik, brak ogrzewania.

Pytania i problemy techniczne związane z Subaru. Trytytki, śrubki i inne tematy dla maniaków niszczenia żelastwa ;-)
Regulamin forum
Zanim założysz nowy wątek, poczytaj najczęściej zadawane pytania
ODPOWIEDZ
Patryk24
0 gwiazdek
Auto: Forester 2.0x
Polubił: 3 razy
Polubione posty: 0

Przegrzewający się silnik, brak ogrzewania.

Post 7 sty 2019, o 11:58

Witam,

bardzo proszę o pomoc.
Forester 2007 2.0 DOHC.
Podczas jazdy nagle przestało działać ogrzewanie wewnątrz auta, cały czas dmucha zimnym.
Jednocześnie temperatura silnika wzrasta na maxa.
Jak myślicie ? Termostat ? Pompa wody?
Gdzieś czytałem, że jeżeli temperatura silnika rośnie i jednocześnie nie ma ogrzewania to winna pompa wody.

Pozdrawiam.



skwaro
Awatar użytkownika
5 gwiazdek
Auto: Forester 2.5XT
Polubił: 4 razy
Polubione posty: 52 razy

Przegrzewający się silnik, brak ogrzewania.

Post 7 sty 2019, o 12:08

A płyn masz? Bo w pierwszej kolejności to trzeba sprawdzić i czy układ jest szczelny. Często chłodnica w górnej części się rozlatuje i cieknie.
Użytkownicy, którzy polubili ten post :
Patryk24 (7 sty 2019, o 19:57)

Patryk24
0 gwiazdek
Auto: Forester 2.0x
Polubił: 3 razy
Polubione posty: 0

Przegrzewający się silnik, brak ogrzewania.

Post 7 sty 2019, o 12:17

Płyn w zbiorniczku wyrównawczym jest, poziom w normie.
Podczas jazdy nie przełącza się też na LPG.

ewemarkam
4 gwiazdki
Lokalizacja: Bielsko-Biała
Auto: Forester '98 2.0 N/A AT
Polubił: 1 raz
Polubione posty: 38 razy

Przegrzewający się silnik, brak ogrzewania.

Post 7 sty 2019, o 12:35

Dolej płynu chłodniczego do chłodnicy, ale na zimnym. Chodzi mi o ten metalowy korek. Ja miałem zapowietrzony układ ale to początku jak byłem właścielem. Ale takie objawy jak opisujesz to może być UPG. Sprawdź najpierw ile masz płynu w chłodnicy, nie w zbiorniku. Tylko nie odkrecaj korka na niej na pracujacym silniku i też ciepłym. Tam jest ciśnienie i możesz sie poparzyć. Poczekaj aż ostygnie.
Może też jak piszesz być to problem z pompą wody, może się wirnik ukręcić. Termostat wykluczam bo co najwyżej długo by się rozgrzewał. Temperatura by rosła na postoju a w czasie jazdy spadała. Na postoju by nie wariowała.
Użytkownicy, którzy polubili ten post :
Patryk24 (7 sty 2019, o 19:57)

barbie
Awatar użytkownika
6 gwiazdek
Lokalizacja: Warszawa
Auto: OOOO
Polubił: 34 razy
Polubione posty: 87 razy

Przegrzewający się silnik, brak ogrzewania.

Post 7 sty 2019, o 14:40

ewemarkam pisze:
7 sty 2019, o 12:35
to może być UPG.
Co łatwo poznasz po tym, że płyn chłodniczy nie jest płynem, a raczej błotem.

skwaro
Awatar użytkownika
5 gwiazdek
Auto: Forester 2.5XT
Polubił: 4 razy
Polubione posty: 52 razy

Przegrzewający się silnik, brak ogrzewania.

Post 7 sty 2019, o 14:45

Patryk24 pisze:
7 sty 2019, o 12:17
Płyn w zbiorniczku wyrównawczym jest, poziom w normie.
Podczas jazdy nie przełącza się też na LPG.
Masz za mało płynu albo jest zapowietrzony układ. Bo i nagrzewnica i reduktor LPG są zazwyczaj na tym samym obiegu płynu chłodzącego i bez niego nie zadziałają. UPG w Subaru zazwyczaj powoduje inne objawy, płynu jest za dużo bo w pierwszej kolejności spaliny dostają się do płynu i wyrzuca wszystko przez zbiorniczek wyrównawczy. Olej w płynie chłodniczym jest ostatnim stadium awarii, inne występują znacznie wcześniej.
Jak pisałem w pierwszej kolejności do sprawdzenia czy jest płyn w chłodnicy i czy układ jest szczelny.
Użytkownicy, którzy polubili ten post :
Patryk24 (7 sty 2019, o 19:57)

paku
Awatar użytkownika
5 gwiazdek
Auto: OBK H6
Polubił: 44 razy
Polubione posty: 98 razy

Przegrzewający się silnik, brak ogrzewania.

Post 7 sty 2019, o 14:49

No i jeszcze termostat ...
Może się zawiesił na małym obiegu ... wtedy płyn kręci się tylko w silniku bez przepływu przez chłodnicę i ogrzewanie.
"Każdy dobry uczynek będzie słusznie ukarany"
"Kto miał się wystraszyć, to się wystraszył. Kto miał się ześwinić, to się ześwinił"

recki
2 gwiazdki
Lokalizacja: Kraków / Wieliczka
Auto: Legaś 05 2.0 SOHC MT lpg
Polubił: 0
Polubione posty: 4 razy

Przegrzewający się silnik, brak ogrzewania.

Post 7 sty 2019, o 15:49

No albo żaby w układzie (szlam) i wtedy plukanki tylko to raczej jak będzie na plusie albo ciepły garaż bo moczyć łapy przy minusie to średni pomysl

ewemarkam
4 gwiazdki
Lokalizacja: Bielsko-Biała
Auto: Forester '98 2.0 N/A AT
Polubił: 1 raz
Polubione posty: 38 razy

Przegrzewający się silnik, brak ogrzewania.

Post 7 sty 2019, o 16:18

paku pisze:No i jeszcze termostat ...
Może się zawiesił na małym obiegu ... wtedy płyn kręci się tylko w silniku bez przepływu przez chłodnicę i ogrzewanie.
Z tego co kojarzę to mały obieg to właśnie blok i nagrzewnica. Jak byłby strzelony to silnik powoli by nabierał temperatury a zimą n postoju by temperatura rosła, a gdy się jedzie to spada i tak w kółko. Najpierw to trzeba sprawdzić czy da się cokolwiek dolać do chłodnicy. Układ te będzie się zapowietrzal przez uszkodzone uszczelnienie pompy wody. Ja odpowietrzalem układ tak jak na zdjęciu, inaczej nie było opcji. Ciągle braki ogrzewania, po założeniu LPG, temperatura skakała jak szalona.

Obrazek

paku
Awatar użytkownika
5 gwiazdek
Auto: OBK H6
Polubił: 44 razy
Polubione posty: 98 razy

Przegrzewający się silnik, brak ogrzewania.

Post 7 sty 2019, o 16:48

Tak wygląda ... a całe życie byłem przekonany, że tylko blok :)

Obrazek

No to zostaje powietrze w układzie, glut lub zdechnięta pompa.
"Każdy dobry uczynek będzie słusznie ukarany"
"Kto miał się wystraszyć, to się wystraszył. Kto miał się ześwinić, to się ześwinił"

skwaro
Awatar użytkownika
5 gwiazdek
Auto: Forester 2.5XT
Polubił: 4 razy
Polubione posty: 52 razy

Przegrzewający się silnik, brak ogrzewania.

Post 7 sty 2019, o 16:54

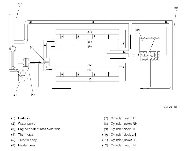
Tu masz schemat jak to jest w Subaru:
cooling circuit.jpg

paku
Awatar użytkownika
5 gwiazdek
Auto: OBK H6
Polubił: 44 razy
Polubione posty: 98 razy

Przegrzewający się silnik, brak ogrzewania.

Post 7 sty 2019, o 17:57

Ciekawe położenie termostatu ...
"Każdy dobry uczynek będzie słusznie ukarany"
"Kto miał się wystraszyć, to się wystraszył. Kto miał się ześwinić, to się ześwinił"

FUX
Awatar użytkownika
6 gwiazdek
Lokalizacja: ze sofy.
Auto: jeżdżące
Polubił: 251 razy
Polubione posty: 355 razy

Przegrzewający się silnik, brak ogrzewania.

Post 7 sty 2019, o 18:10

Dlaczego?
Dolce far niente ;-)

paku
Awatar użytkownika
5 gwiazdek
Auto: OBK H6
Polubił: 44 razy
Polubione posty: 98 razy

Przegrzewający się silnik, brak ogrzewania.

Post 7 sty 2019, o 18:32

Wydaje mi się że częściej jest na gorącej części od góry.
"Każdy dobry uczynek będzie słusznie ukarany"
"Kto miał się wystraszyć, to się wystraszył. Kto miał się ześwinić, to się ześwinił"

skwaro
Awatar użytkownika
5 gwiazdek
Auto: Forester 2.5XT
Polubił: 4 razy
Polubione posty: 52 razy

Przegrzewający się silnik, brak ogrzewania.

Post 7 sty 2019, o 19:16

paku pisze:Wydaje mi się że częściej jest na gorącej części od góry.
W Hondach jest tak samo jak w Subaru. W innych markach nie grzebię więc się mądrzył nie będę.

ewemarkam
4 gwiazdki
Lokalizacja: Bielsko-Biała
Auto: Forester '98 2.0 N/A AT
Polubił: 1 raz
Polubione posty: 38 razy

Przegrzewający się silnik, brak ogrzewania.

Post 7 sty 2019, o 19:26

Różnie, kiedyś miałem polo z 91 roku tam termostat był w obudowie, przykręconej do bloku pod głowicą zaraz. I duży obieg wchodził od dołu do chłodnicy.

paku
Awatar użytkownika
5 gwiazdek
Auto: OBK H6
Polubił: 44 razy
Polubione posty: 98 razy

Przegrzewający się silnik, brak ogrzewania.

Post 7 sty 2019, o 19:46

ewemarkam pisze:
7 sty 2019, o 19:26
przykręconej do bloku pod głowicą zaraz.
Właśnie, tak jest w Toyotach dieslach. Zresztą sprawdzę.
Myślałem że to jest absolutny standard gdzie siedzi termostat, a tu taka ciekawostka ...
"Każdy dobry uczynek będzie słusznie ukarany"
"Kto miał się wystraszyć, to się wystraszył. Kto miał się ześwinić, to się ześwinił"

Patryk24
0 gwiazdek
Auto: Forester 2.0x
Polubił: 3 razy
Polubione posty: 0

Przegrzewający się silnik, brak ogrzewania.

Post 7 sty 2019, o 19:53

Koledzy,
wydaje się, że wszystko jasne.
Dzięki Waszym sugestiom przyglądnąłem się poziomowi płynu w samej chłodnicy i okazało się, że w chłodnicy brakuje płynu, mimo że w zbiorniku wyrównawczym płyn w normie.
Dolałem ok. 2l płynu i po chwili patrzę pod maskę a tam cała chłodnica i przód silnika w płynie chłodniczym. Chłodnica ciepła, górny wąż również. Próbowałem jeszcze dolać płynu pod korek ale gdy już chłodnica wypełniała się, płyn wyciekał od góry :wall: .
Nie zwróciłem uwagi na poziom w chłodnicy bo skoro był w zbiorniku wyrównawczym to myślałem, że nie może być wycieku :x
Około dwa miesiące temu odebrałem auto z naprawy po kolizji, lewy przód trochę dostał. Wymieniony błotnik, zderzak reflektory, pas przedni, naprawiana podłużnica, chłodnica niby była ok.
sub.png
Ciężko mi teraz uwierzyć, że jedno z drugim nie ma nic wspólnego.
Mogła się lekko rozszczelnić podczas uderzenia i po pewnym czasie rozlazła się całkowicie ?
Mam nadzieje, że silnik w związku z tym będzie ok :-(
Dziękuje bardzo za Wasze rady, dzięki temu szybko doszedłem w czym problem. Wg. planu w środę ma wpaść nowa chłodnica.
Dzięki jeszcze raz i pozdrawiam serdecznie :->

FUX
Awatar użytkownika
6 gwiazdek
Lokalizacja: ze sofy.
Auto: jeżdżące
Polubił: 251 razy
Polubione posty: 355 razy

Przegrzewający się silnik, brak ogrzewania.

Post 7 sty 2019, o 19:58

:thumb:
Dolce far niente ;-)

ewemarkam
4 gwiazdki
Lokalizacja: Bielsko-Biała
Auto: Forester '98 2.0 N/A AT
Polubił: 1 raz
Polubione posty: 38 razy

Przegrzewający się silnik, brak ogrzewania.

Post 7 sty 2019, o 20:01

W razie czego mam prawie nowa chłodnice do 2.0 122km manual z wentylatorami. Zdemontowa z dawcy części do mojego. Może Ci podejdzie.

skwaro
Awatar użytkownika
5 gwiazdek
Auto: Forester 2.5XT
Polubił: 4 razy
Polubione posty: 52 razy

Przegrzewający się silnik, brak ogrzewania.

Post 7 sty 2019, o 20:22

Czyli dobrze obstawiałem, dobrze że tylko tyle, zamiennik kosztuje ok. 250zł więc naprawa nie będzie droga. A chłodnice w tych foresterach się rozpadają już ze starości, niekoniecznie musiał być to efekt kolizji.
Moja też zaczyna się pocić, ale ja będę wstawiał grubą bo u mnie jest trochę więcej mocy :)

skwaro
Awatar użytkownika
5 gwiazdek
Auto: Forester 2.5XT
Polubił: 4 razy
Polubione posty: 52 razy

Przegrzewający się silnik, brak ogrzewania.

Post 7 sty 2019, o 20:22

ewemarkam pisze:W razie czego mam prawie nowa chłodnice do 2.0 122km manual z wentylatorami. Zdemontowa z dawcy części do mojego. Może Ci podejdzie.
Nie podejdzie do tej wersji.

ewemarkam
4 gwiazdki
Lokalizacja: Bielsko-Biała
Auto: Forester '98 2.0 N/A AT
Polubił: 1 raz
Polubione posty: 38 razy

Przegrzewający się silnik, brak ogrzewania.

Post 7 sty 2019, o 20:50

Szkoda, bo wyjąłem z nadzieją że pójdzie jak ciepła bułeczka a tu nic z tego.

ODPOWIEDZ